

Esistono molte situazioni abrasive in cui le lamiere da treno con riporto sono il materiale più adatto, sia dal punto di vista tecnico che economico. Di seguito riportiamo alcuni esempi:
Anche se il 95% di una roccia abrasiva è costituito da minerali morbidi, il restante 5% può essere molto duro e contribuire al 90% dell'usura, rendendo così i riporti la soluzione migliore.
Il CCO, o riporto in carburo di cromo, contiene solo carburi ricchi di cromo. I riporti possono anche essere del tipo di carburo complesso. In questi prodotti, altre leghe come Nb, Mo, V e W vengono aggiunte al carburo di cromo.
I complessi carburici sono generalmente una scelta preferenziale nelle situazioni di usura a caldo, in quanto possono mantenere la piena resistenza all'usura a temperature fino a 600 °C. Poiché i complessi carburici in genere offrono una durata di vita utile 3-5 volte superiore rispetto ai CCO, sono adatti anche se lo spessore del riporto è limitato.
Le lamiere da treno con riporto ad alte prestazioni esposte a forze di impatto più che moderate possono utilizzare una lega contenente borocarburi ultra fini. Questi borocarburi possono avere una granulometria fino a 500 nm, che è circa 200 volte più fine rispetto al cromo tradizionale o ai complessi carburici.
Nella letteratura e da diversi produttori, i riporti sono anche chiamati lamiera da treno in carburo, acciaio cromato di riporto, lamiera da treno con riporto cromato o lamiera da treno con riporti duri.


Lo strato di riporti duri è saldato su una lamiera di base in acciaio. La lamiera di base nei riporti Duroxite® è un acciaio dolce oppure una lamiera antiusura Hardox® per una maggiore resistenza e durata. Duroxite® 101 e Duroxite® 201 hanno entrambi Hardox® come lamiera di base.
Quando le saldature si raffreddano, si viene a creare una struttura di fessurazioni sottili perpendicolarmente alla direzione di saldatura. Queste fessurazioni sono normali e non influiscono sulla resistenza all'usura della lamiera da treno. Esse consentono alla lamiera da treno di essere lavorata in una forma curva, solitamente con lo strato di riporti duri all'interno o, in alcuni casi, all'esterno. Le lamiere da treno di riporto non devono essere piegate parallelamente ai trefoli di saldatura.
Anche il cromo o i complessi carburici possono essere depositati con fili di saldatura ed elettrodi a stick appositamente formulati. Ciò avviene comunemente per lavori di riparazione e manutenzione o per la produzione di parti soggette ad usura come il riciclaggio di martelli e i denti per le benne per escavatori.

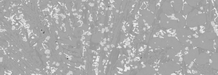
La lamiera di base è ricoperta da cordoni di saldatura o materiale di riporti duri depositati in uno, due o talvolta anche tre strati.

Cordoni di saldatura che mostrano la struttura con fessurazioni sfalsate perpendicolare.

Parti soggette ad usura di riporti duri create saldando manualmente uno strato di riporti duri su una base in acciaio con un filo di saldatura o elettrodi a stick.

Nel corso degli anni, SSAB ha saputo dimostrare la sua leadership di mercato per quanto riguarda le soluzioni antiusura. Questo è il risultato della nostra vasta gamma di prodotti in acciaio Q&T resistente all'usura e prodotti CCO, nonché della nostra vasta ricerca nel campo della metallurgia e della tecnologia antiusura.
Duroxite® è il nome di una nostra gamma completa di riporti e riporti duri. Duroxite® include le lamiere da treno CCO Duroxite® 100 e Duroxite® 101, le lamiere da treno in riporto di carburo complesso Duroxite® 200 e Duroxite® 201 e Duroxite® 300 e Duroxite® 500 con borocarburi ultra fini.
Sono inclusi anche tubi e perni Duroxite® nonché fili di saldatura ed elettrodi a stick Duroxite® per la produzione e la manutenzione di parti soggette ad usura in officina o in loco.
Ottieni un quadro completo dei prodotti Duroxite®