
There are many abrasive situations where overlay plates are the most suitable material, both from a technical and cost perspective. The following are some examples:
Even if 95% of an abrasive rock is made up of soft minerals, the remaining 5% can be very hard and contribute to 90% of the wear – thus making overlays the best solution.
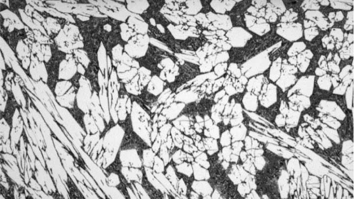
CCO, or chromium carbide overlay, only contains chromium-rich carbides. Overlays can also be of the complex carbide type. In these products other alloys such as Nb, Mo, V and W are added to the chromium carbide.
Complex carbides are usually a preferred choice in hot wear situations since they can maintain full wear resistance in temperatures up to 600 °C (1100 °F). As complex carbides typically give 3-5 times longer service life compared to CCO, they are also suitable if the thickness of the overlay is restricted.
High-performance overlay plates exposed to more than moderate impact forces can use an alloy containing ultra-fine borocarbides. These borocarbides can have a grain size as low as 500 nm, which is approximately 200 times finer than traditional chromium or complex carbides.
In the literature and by different manufacturers, overlay products are also called carbide plate, chrome overlay steel, chrome overlay plate or hardfacing plate.


The hardfacing layer is welded on a steel base plate. The base plate in Duroxite® overlays is either mild steel or Hardox® wear plate for additional strength and durability. Duroxite® 101 and Duroxite® 201 both have Hardox® as base plate.

Chromium or complex carbides are dispersed in a steel matrix.

Fine-grained borocarbides makes the overlay material more resistant to heat and impact.

The base plate is covered with welding beads of hardfacing material that is deposited in one, two or sometimes even three layers.
When the welds cool, a pattern of fine cracks perpendicular to the welding direction is created. These cracks are intended and don’t affect the plate’s wear resistance. They allow the plate to be roll formed into a curved shape, usually with the hardfacing layer on the inside, although it can also be on the outside. Overlay plates should not be bent parallel to the welding strands.
Chromium or complex carbides can also be deposited with specially formulated welding wires and stick electrodes. This is commonly used for repair and maintenance, or for producing wear parts such as recycling hammers and teeth for excavator buckets.
