

Számos olyan abrazív kopást előidéző helyzet adódhat, ahol mind műszaki, mind költség szempontból a hegesztett kopásálló lemezek alkalmazása a legmegfelelőbb megoldás. Az alábbiakban ezekre látható néhány példa:
Még akkor is, ha a koptató hatást előidéző kőzet 95%-a puha ásványokból áll, a maradék 5% lehet annyira kemény, hogy a kopás 90%-áért felel – így a legjobb megoldást a hegesztett kopásálló rétegek nyújtják.
A CCO vagy króm-karbid hegesztett kopásálló réteg csak krómban gazdag keményfémeket tartalmaz. A hegesztett kopásálló réteg lehet komplex karbid típusú is. Ezekben a termékekben a króm-karbidhoz egyéb ötvözőelemeket, például nióbiumot, molibdént, vanádiumot és volfrámot adnak.
A komplex karbidok általában melegebb környezetben történő alkalmazásra ajánlottak, mivel akár 600 °C-os hőmérsékletig képesek megőrizni teljes kopásállóságukat. Mivel a komplex karbidok jellemzően 3–5-ször hosszabb élettartamot biztosítanak a CCO-hoz képest, ezért abban az esetben is alkalmazhatók, ha a hegesztett kopásálló réteg vastagsága korlátozott.
A mérsékeltnél nagyobb becsapódási erőnek kitett, nagy teljesítményű hegesztett kopásálló lemezekhez ultrafinom bór-karbidokat tartalmazó ötvözet használható. Ezek a bór-karbidok akár 500 nm-es szemcsemérettel is rendelkezhetnek, ami mintegy 200-szor finomabb, mint a hagyományos króm- vagy komplex karbidok.
A szakirodalomban és a különböző gyártóknál a hegesztett kopásálló termékeket karbidlemeznek, króm kopásálló réteggel rendelkező acélnak, króm kopásálló réteggel rendelkező lemeznek vagy keményfém felrakással készült lemeznek is nevezik.


A keményfém felrakással készülő réteget acél alaplemezre hegesztik fel. A Duroxite® hegesztett kopásálló termékek alaplemeze lágyacélból vagy – a további szilárdság és tartósság érdekében – Hardox® kopásálló lemezből készül. A Duroxite® 101 és a Duroxite® 201 termékek egyaránt Hardox® alaplemezzel rendelkeznek.
A hegesztési varratok lehűlése során a hegesztési irányra merőlegesen finom repedések mintázata jön létre. Ezek a repedések tervezettek, és nem befolyásolják a lemez kopásállóságát. Lehetővé teszik a lemez íveltté alakítását, általában úgy, hogy a keményfém felrakással készült réteg a belső oldalon van, bár e réteg kívül is lehet. A hegesztett kopásálló lemezeket nem szabad a hegesztési varratokkal párhuzamosan meghajlítani.
A króm- vagy komplex karbidok speciális összetételű hegesztőhuzalokkal és hegesztőpálcákkal is felrakhatók. Ezt általában javítási és karbantartási munkák esetén, illetve olyan kopásálló alkatrészek gyártásához használják, mint az újrahasznosító berendezésekben lévő kalapácsok, valamint a kotrógépkanalak fogai.

Az alaplemezt egy, két vagy néha akár három rétegben felvitt keményfém varratréteg borítja.

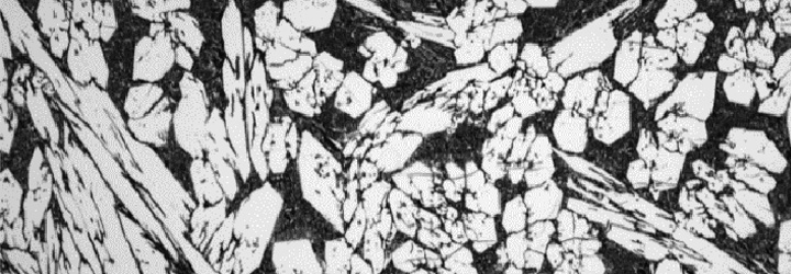
Varratrétegek, amelyeken merőleges, lépcsőzetes repedésmintázat látható.

Acél alapra hegesztőhuzal vagy hegesztőpálca segítségével, manuálisan felhegesztett keményfém réteggel készült kopásálló alkatrészek.

Az évek során az SSAB bebizonyította, hogy piacvezető a kopásálló megoldások terén. Ez a kopásálló nemesített acéltermékeink és a CCO-termékeink széles választékának, valamint a metallurgia és kopástechnológia területén végzett szerteágazó kutatómunkánknak köszönhető.
Duroxite® márkánk a hegesztett kopásálló bevonattal rendelkező, keményfém felrakással készült termékeink teljes skáláját lefedi. A Duroxite® termékcsalád magában foglalja a Duroxite® 100 és Duroxite® 101 CCO-lemezeket, a Duroxite® 200 és Duroxite® 201 komplex karbid hegesztett kopásálló réteggel rendelkező lemezeket, valamint az ultrafinom bór-karbidokat tartalmazó Duroxite® 300 és Duroxite® 500 lemezeket.
Tartalmazza továbbá a Duroxite® csöveket és csapokat, valamint a kopásálló alkatrészek műhelyben vagy helyszínen történő gyártásához és karbantartásához szükséges Duroxite® hegesztőhuzalokat és -pálcákat.
Alkosson teljes képet a Duroxite® termékekről